

2nd G standard multihead weigher is suitable for weighing candy, seeds, jelly, pet foods, puffy foods, pistachio, peanuts, nuts, raisins, dried fruits, frozen foods, snack foods, hardwares, meatballs, etc.

1.Special load cell with high precision and high standard.
2.Intelligent multi-sampling stable mode, higher accuracy.
3.Intelligent alarm diagnosis.
4.High speed stagger dump function.
5.Modular and CAN bus technology, more efficient and stable.
6.Modbus Industry communication protocol.
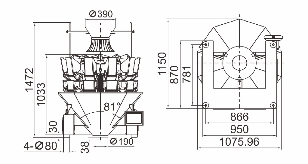
1.1.6L/2.5L hopper, a wide range application to different of products.
2.7” touch screen can meet the user's requirement.
3.New actuator design reduce the mechanical vibration and improves the load cell value accuracy.
4.Arc-shaped machine body with large O treatment improves the stability and appearance.
5.Uniform design standards, and mould processing, contribute to better interchangeability for spare parts.
6.Integral machine frame and machine cabinet contributes to more stability and higher accuracy.
7.Option: simple springless buckets.
| Model | JW-A10 | JW-A14 | JW-A10 | JW-A14 |
| Identify Code | A10-2-1D | A14-2-1D | A10-2-1DW | A14-2-1DW |
| Weighing Range | 10-1000g | 10-1500g | 10-1000g | 10-1500g |
| Accuracy | X(0.5) | X(0.5) | X(0.5) | X(0.5) |
| Max Speed | 65 P/M | 120 P/M | 65 P/M | 120 P/M |
| Hopper Volume | 1.6L/2.5L | 1.6L(No-spring) | ||
| Control Panel | 7”Touch Screen | |||
| Options | Dimple Plate/Timing Hopper/Printer/Reject Device | |||
| Driving System | Step Motor | |||
| Power Requirement | 220V/1000W/50/60Hz/10A | 220V/1000W/50/60Hz/10A | 220V/1000W/50/60Hz/10A | 220V/1000W/50/60Hz/10A |
| Packing Dimension(mm) | 1620(L)x1080(W)x1120(H) | 1700(L)x1080(W)x1210(H) | 1620(L)x1080(W)x1120(H) | 1700(L)x1080(W)x1210(H) |
| Gross Weight | 400kg | 500kg | 400kg | 500kg |



