

Il convient pour peser la salade de légumes, la salade de fruits, la pomme de terre, l'oignon, la tomate, les tomates cerises, etc.

1. Cellule de charge spéciale de haute précision et de haute qualité.
2. La carte électrique du module et le mode stable d'échantillonnage multiple intelligent rendent le pesage plus précis.
3. Alarme de défaut intelligente, pratique pour la maintenance.
4. Fonction de décharge décalée à grande vitesse, empêchent efficacement les matériaux de blocage.
5. Nouvelle conception modulaire hautement intégrée, utilisant la technologie de bus CAN.
6. Le protocole de communication standard industriel Modbus réalise l'interface de peseuse associative et de machine d'emballage.
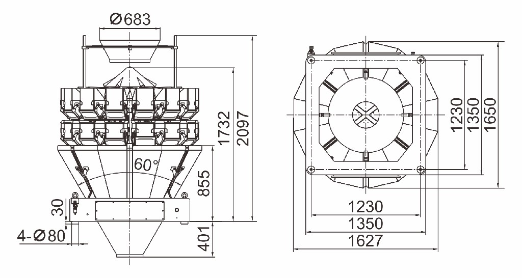
1. Le cône supérieur rotatif réglable de vitesse convient à différentes alimentations de produit.
2. Le vibrateur linéaire amélioré améliore la fluidité du matériau.
3. Le plateau linéaire incliné, assure une alimentation en douceur.
4. La goulotte d'éjection à alvéoles à 60 ° contribue à réduire les problèmes de collage.
5. Détection de matériau de type de pesage en option, contrôle précis du temps d'alimentation, épaisseur du matériau, pour assurer l'exactitude de la pesée.
| Modèle | JW-AM14 | JW-AM16 |
| Identifier le code | AM14-2-11 | AM16-2-11 |
| Gamme de pesage | 10 à 3000 g | 10 à 3000 g |
| Précision | X (1) | X (1) |
| Vitesse maximale | 80P / M | 120P / M |
| Volume de la trémie | 7,5 L | |
| Panneau de configuration | Écran tactile de 10,1 po | |
| Options | Trémie de chronométrage / imprimante / dispositif de rejet | |
| Système de conduite | Moteur pas à pas | |
| Puissance requise | 220V / 1500W / 50 / 60Hz / 12A | 220V / 2000W / 50 / 60Hz / 16A |
| Dimension d'emballage (mm) | 2080 (L) x1540 (L) x1830 (H) | 2200 (L) x1540 (L) x1900 (H) |
| Poids brut | 870 kg | 870 kg |



