

Es adecuado para pesar semillas, cacahuetes, nueces, almendras, pasas, dulces, pistachos, papas fritas, albóndigas y otros gránulos, láminas, tiras, material de forma redonda.

1. Célula de carga especial con alta precisión y alto nivel.
2. Alarma de falla inteligente, mantenimiento conveniente.
3. Función de descarga escalonada de alta velocidad, previene eficazmente el bloqueo de materiales.
4. Con un diseño modular altamente integrado, los componentes mecánicos y electrónicos son fáciles de instalar y mantener.
5. Protocolo de comunicación estándar de la industria Modbus, realiza la combinación de interfaz de pesadora multicabezal y máquina empacadora.
1. Tolvas de alta velocidad sin resortes para evitar que el resorte roto caiga en los paquetes.
2. El nuevo diseño de actuador sin resorte hace que el pesaje sea más estable y rápido.
3. Los conductos de descarga de doble capa con tolvas de sincronización de alta velocidad dobles para alimentar la máquina de envasado a su vez, superan los problemas de velocidad del tiempo de alimentación del conducto de descarga.
4. La soldadura integral de la carcasa de la máquina y el asiento intermedio mejoran en gran medida la resistencia de la máquina, lo que reduce el tiempo estable de la tolva.
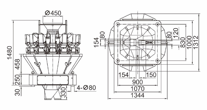
| Modelo | JW-A14 | JW-A18 |
| Código de identificación | A14-3-1 | A18-3-1 |
| Rango de pesaje | 10-1000g | 10-1000g |
| Exactitud | X (0,5) | X (0,5) |
| Máxima velocidad | 130P / M | 180P / M |
| Volumen de la tolva | 2.0L | |
| Panel de control | Pantalla táctil de 10,1 " | |
| Opciones | Placa de hoyuelos / Tolva de sincronización / Impresora / Dispositivo de rechazo | |
| Sistema de conducción | Motor paso a paso | |
| Requisitos de energía | 220V / 1000W / 50 / 60Hz / 10A | 220V / 1000W / 50 / 60Hz / 10A |
| Dimensión de embalaje (mm) | 1760 (largo) x1190 (ancho) x1390 (alto) | 1950 (largo) x1650 (ancho) x1650 (alto) |
| Peso bruto | 500 kg | 800 kg |



