

Es adecuado para pesar gránulos de pequeño peso como semillas, té, granos de café, etc.

1. Adopte una celda de carga de alta precisión de marca famosa, la resolución se mejora hasta 2 decimales.
2. La función de recuperación del programa puede reducir las fallas de operación y soportar la calibración de peso de múltiples segmentos.
3. Ninguna función de pausa automática de productos puede mejorar la estabilidad y precisión del pesaje.
4. La amplitud lineal se puede ajustar de forma independiente.
5. Muchos idiomas disponibles para los mercados globales.
6. La capacidad de 100 programas puede cumplir con varios requisitos de pesaje y el menú de ayuda fácil de usar contribuye a una operación sencilla.
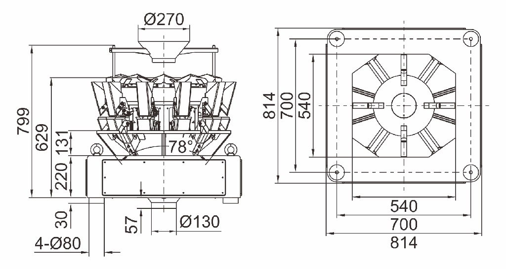
1. Tolva de 0.3L, diseño de baja vibración, buen rendimiento.
2. Utilice el tipo de pesaje para la detección de material para realizar un control preciso del tiempo de alimentación y el grosor del material y garantizar la precisión del pesaje.
3. Bandeja de alimentación en V especialmente diseñada para un peso objetivo pequeño para garantizar una alimentación uniforme y precisión de pesaje.
4. El bastidor integral de la máquina con soporte intermedio mejora la resistencia de la máquina, lo que hace que el tiempo de estabilización de las tolvas sea mucho más corto.
5. El cuerpo de la máquina en forma de arco con tratamiento R grande mejora la estabilidad y la apariencia.
6. El nuevo vibrador lineal doble paralelo contribuye a una vibración más pequeña, el actuador de accionamiento lateral hace que la lectura sea más precisa y la precisión de pesaje más alta.
| Modelo | JW-A10 | JW-A14 |
| Código de identificación | AS10-1-2 | AS14-1-2 |
| Rango de pesaje | 1-60g | 1-60g |
| Exactitud | X (0,5) | X (0,5) |
| Máxima velocidad | 60P / M | 120P / M |
| Volumen de la tolva | 0.3L | |
| Panel de control | Pantalla táctil de 7 '' | |
| Opciones | Placa de hoyuelos / Tolva de sincronización / Impresora / Dispositivo de rechazo | |
| Sistema de conducción | Motor paso a paso | |
| Requisitos de energía | 220V / 900W / 50 / 60Hz / 8A | 220V / 1100W / 50 / 60Hz / 10A |
| Dimensión de embalaje (mm) | 1190 (largo) x970 (ancho) x950 (alto) | 1190 (largo) x970 (ancho) x950 (alto) |
| Peso bruto | 180 kg | 220 kg |



