

La báscula para ensaladas es adecuada para pesar productos de gran volumen como patatas, tomates, cebollas, frutas, verduras y ensaladas con un gran peso objetivo.

1.Célula de carga especial con alta precisión y alto nivel.
2.La función de recuperación del programa puede reducir las fallas de operación, admite la calibración de peso de múltiples segmentos.
3.La función de pausa automática de ningún producto puede mejorar la estabilidad y precisión del pesaje.
4.La amplitud lineal se puede ajustar de forma independiente, puede hacer que la alimentación sea más uniforme.
5.15 idiomas disponibles para mercados globales.
La capacidad de 6.100 programas puede cumplir con varios requisitos de pesaje, el menú de ayuda fácil de usar en la pantalla táctil contribuye a una operación sencilla.
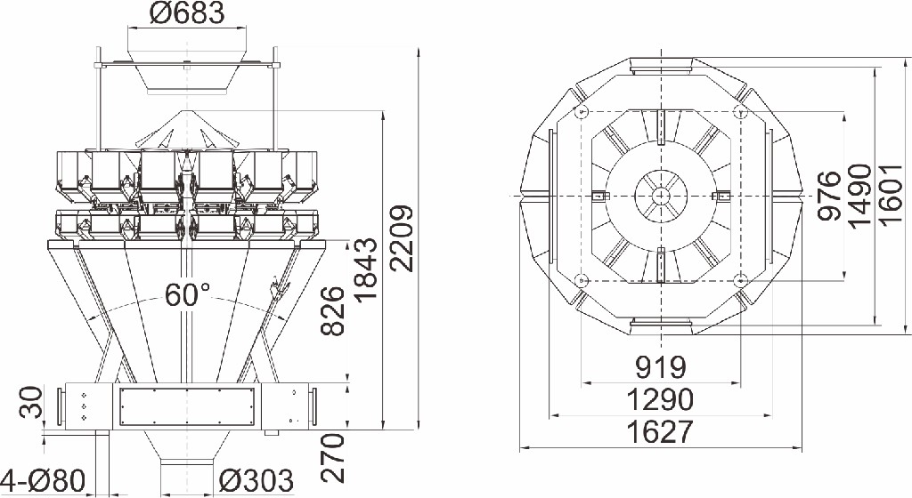
1. El cono superior giratorio de velocidad ajustable es adecuado para la alimentación de diferentes productos.
2. El vibrador lineal mejorado mejora la fluidez del material.
3. La bandeja vibradora lineal especial declinable asegura una alimentación suave.
4. El conducto de descarga con hoyuelos de 60 ° contribuye a reducir los problemas de adherencia.
5. Toda la carcasa de la máquina espesante de aluminio fundido mejoró la resistencia de la máquina y acortó el tiempo de estabilidad de la muestra.
6. Detección de material de tipo de pesaje opcional, control preciso del tiempo de alimentación, grosor del material, para garantizar la precisión del pesaje.
| Modelo | JW-AM10 | JW-AM14 |
| Código de identificación | AM10-1-11 | AM14-1-11 |
| Rango de pesaje | 100-3000g | 100-3000g |
| Exactitud | X (1) | X (1) |
| Máxima velocidad | 50P / M | 80P / M |
| Volumen de la tolva | 5L | |
| Panel de control | Pantalla táctil de 7 " | |
| Opciones | Tolva de sincronización / Impresora / Dispositivo de rechazo | |
| Sistema de conducción | Motor paso a paso | |
| Requisitos de energía | 220V / 1500W / 50 / 60Hz / 10A | 220V / 1500W / 50 / 60Hz / 12A |
| Dimensión de embalaje (mm) | 1910 (largo) x1290 (ancho) x1810 (alto) | 2195 (largo) x1380 (ancho) x2060 (alto) |
| Peso bruto | 700 kg | 850 kg |



