
适用于单种物料的高速度称重,多种物料的配方混合。如即冲麦片、混合果仁等。

1. 单种物料时可采用高速模式运行。
2. 混料重量可以由最后一种物料运行自行补偿。
3. 采用高精度的特制传感器。
4. 智能化的故障报警提示,维护更方便。
5. 高速异步放料功能,有效防止物料阻塞。
6. 全新高集成模块化设计,采用了CAN总线技术。
7. Modbus工业标准通信协议,实现组合秤和包装机界面合二为一。
1. 采用分隔上料斗,用于多种混合配方物料。
2. 采用独立主振机,分别控制不同物料的加料厚度。
3. 整体式机箱和中座增强了机器的刚性和强度,使得称量更准确。
4. 机箱、斜槽采用兼容设计,称量单一物料时可更换为双口下料盘,可配双联包装机。
5. 统一的设计标准,采用模具制作工艺,使各个零部件的互换性更强。
6. 稳定式的铝壳结构使得料斗运行更稳定,读数更精准,整体式机箱和中座增强了机器的强度,使得料斗的稳定时间更短。
7. 另有双出口型号可选。
型号 | JW-A20 | JW-A20 | JW-A20 | JW-A20 | JW-A20 |
识别代号 | A20-2-1(口字型) | A20-2-1(口字型) | A20-2-3(8字型) | A20-2-2(口字型) | A20-2-4(8字型) |
称重范围 | 20-2000g(混料)/10-1000g(单种物料) | 10-1000g | |||
称重精度范围 | X(0.5) | ||||
最大称重速度 | 65P/M(混料)/120P/M(单种物料) | 65x2P/M(双联包装机模式) | |||
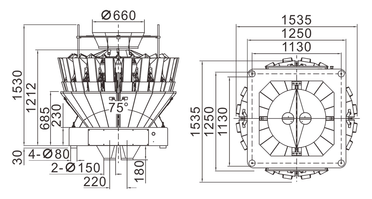
料斗容量 | 1.6L | 2.5L | 1.6L/2.5L | ||
操作界面 | 10.1寸触摸屏 | ||||
选购装置 | 花纹秤斗/集料斗/数据打印装置/超重选别装置 | ||||
驱动方式 | 步进电机 | ||||
电源要求 | 220V/2000W/50/60Hz/16A | 220V/2000W/50/60Hz/16A | 220V/2000W/50/60Hz/16A | 220V/2000W/50/60Hz/16A | 220V/2000W/50/60Hz/16A |
包装尺寸(mm) | 1700(L)x1450(W)x1450(H) | 1950(L)x1650(W)x1620(H) | 1880(L)x1600(W)x1240(H) | 1950(L)x1650(W)x1620(H) | 1880(L)x1600(W)x1240(H) |
包装重量 | 850kg | ||||



