
适用于多种果仁、葡萄干、糖果、薯片、虾条等休闲食品,速食品、膨化食品;五金件、塑料件等小颗粒状、小片状、圆形及不规则小物料的定量称重。

1. 采用高精度的特制传感器。
2. 智能化的故障报警提示,维护更方便。
3. 高速异步放料功能,有效防止物料阻塞。
4. 混料模式时会进行自动补偿。
5. 模块化电路板,实现了智能化的多次采样稳定模式,称量更精准。
1. 通用型料斗称重单元,增强了整机的零件互换性。
2. 具有记忆斗,实现称重物料的暂存,增加组合概率,有效提升组合精度。
3. 采用分隔主振盘,单机可用于2种以上(最多可实现6种)混合物料配方应用。
4. 采用独立主振机,分别控制不同物料的加料厚度。
5. 口字型机箱和中座一体化焊接极大的增强了机器的强度,使得料斗的稳定时间更短。
型号 | JW-A24 |
识别代号 | A24-4-1 |
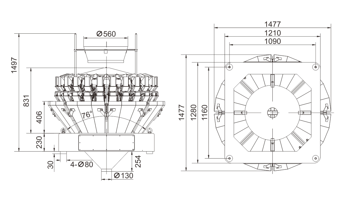
称重范围 | 12-1000g |
称重精度范围 | X(0.5) |
最大称重速度 | 60x6P/M |
料斗容量 | 0.5L |
操作界面 | 10.1寸触摸屏 |
选购装置 | 花纹秤斗/集料斗/数据打印装置/超重选别装置 |
驱动方式 | 步进电机 |
电源要求 | 110/220V/2800W/50/60Hz/13A |
包装尺寸(mm) | 2100(L)x1480(W)x1130(H) |
包装重量 | 650kg |



