

تطبيق
إنه مصمم خصيصًا لحساب المشاريع ، مثل أكياس الشاي ، وأكياس القهوة ، والحبوب وفول الصويا ، ومسحوق الحليب ، والأدوات ، والبلاستيك ، إلخ.

1. خلية تحميل خاصة بدقة عالية ومعايير عالية.
2 يمكن لوظيفة استرداد البرنامج أن تقلل من فشل العملية وتدعم معايرة الوزن متعددة القطع.
3. لا توجد منتجات وظيفة الإيقاف التلقائي يمكن أن تحسن ثبات الوزن والدقة.
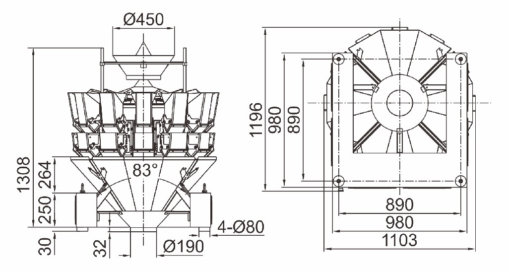
4. السعة الخطية يمكن تعديلها بشكل مستقل.
5. العديد من اللغات المتاحة للأسواق العالمية.
يمكن أن تلبي سعة برامج 6.100 متطلبات الوزن المختلفة وتسهم قائمة المساعدة سهلة الاستخدام في التشغيل السهل.
1.برنامج عد فريد ومصمم خصيصًا ، استخدم مجرى تفريغ بدون مقسم لتجنب مشكلة الحجب.
2.مجهزة بمخروط مركزي مصمم خصيصًا ، يمكن للمخروط العلوي الدوار أن يوزع المنتجات في كل وعاء مغذي خطي بالتساوي. مجهزة ببرامج قياس الوزن والعد.
3. نوع الوزن لاكتشاف المواد يجعل التحكم الدقيق في وقت التغذية وسمك المواد ويضمن دقة الوزن.
4.عملية صنع القالب ومعايير التصميم الموحدة تساهم في قابلية تبادل أفضل لقطع الغيار.
5.تحديد خلية التحميل تحت المخروط العلوي يضمن عملية تغذية سلسة من الناقل وتجنب مشكلة سد المخروط العلوي.
| نموذج | JW-A12 | JW-A14 |
| تعريف الكود | A12-1-2 | A14-1-2 |
| نطاق الوزن | 10-30 قطعة | 10-30 قطعة |
| صحة | اكس (0.5) | اكس (0.5) |
| السرعة القصوى | 30P / م | 40P / م |
| حجم القادوس | 2.5 لتر | |
| لوحة التحكم | شاشة تعمل باللمس مقاس 7 بوصات | |
| خيارات | لوحة الدمل / قادوس التوقيت / الطابعة / جهاز الرفض | |
| نظام القيادة | محرك خطوة | |
| متطلبات الطاقة | 220 فولت / 1000 واط / 50/60 هرتز / 10 أمبير | 220 فولت / 1500 واط / 50/60 هرتز / 10 أمبير |
| أبعاد التعبئة (مم) | 1700 (طول) × 1100 (عرض) × 1130 (ارتفاع) | 1700 (طول) × 1100 (عرض) × 1265 (ارتفاع) |
| الوزن الإجمالي | 470 كجم | 490 كجم |



