

يمكن تطبيق Parallel Manipulator على الأغذية والأدوية والتوابل والبلاستيك والحرف اليدوية والإلكترونيات وأنواع مختلفة من فرز المواد ونقلها من الصناعات الأخرى.

1. يمكن إرساء ميزان الفحص الأمامي ، كاشف المعادن ، كاشف الأشعة السينية وغيرها من معدات تطبيق أتمتة خط إنتاج التعبئة والتغليف ، تنوع قوي ، نطاق تطبيق واسع ، دقة عالية وثبات قوي.
2. يمكنها تحقيق قدرة فرز سريعة ونظام تطبيق مرئي اختياري ، مما يجعل تحديد المواقع أكثر دقة وأسهل في الإمساك.
3. واجهة الإنسان والآلة بشاشة تعمل باللمس ، وتصحيح أخطاء النموذج متعدد الإحداثيات ، والتحكم السريع ، وإعداد المعلمات ، وما إلى ذلك ، ودعم وضع التدريس ، وحركة المسار الخطي الكامل ، والقوس ، والفضاء.
4. التدريس والتصحيح باستخدام جهاز التدريس ، والبرمجة سهلة التعلم ، ومجموعة التعليمات الغنية ، يمكن أن تلبي مجموعة واسعة من متطلبات التطبيق ، ويمكن للمستخدمين تنفيذ التطوير الثانوي.
5. دعم التعيينات متعددة المحطات.
6. الزائد وظيفة حماية الاغلاق التلقائي.
1. قاعدة رئيسية مستقلة مع الرش ، مظهر بسيط وجميل ، سهل التركيب والصيانة.
2. الذراع الرئيسي الدوار مصنوع من ألياف الكربون ، وهي أخف في الهيكل وأكثر استقرارا في الأداء.
3. 4 هيكل ارتباط المحور ، والتي يمكن أن تدرك الاستيلاء على المواد وتدويرها في الاتجاه المحدد.
4. استخدم نظام التحكم المؤازر لضمان دقة تطبيق العمل.
5. اختياري مرئي أو تلسكوبي وكامل الخط التطبيقات المتصلة ، ودعم التطبيقات المخصصة في قسم الناقل ، والتكوين المرن.
6. مادة الإطار الخارجي للجسم الاختيارية وفقًا لبيئة التطبيق ، الفولاذ المقاوم للصدأ / الفولاذ الكربوني اختياري.
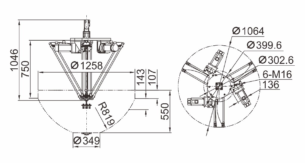
| نموذج | JW-D1100 |
| تعريف الكود | D1100-1-1 |
| نوع الهيكل | دلتا (أربعة محاور متوازية) |
| كرر الدقة | ± 0.1 مم |
| معدل العمل | φ1100 مم |
| السرعة القصوى | 150 ص / م |
| ماكس تحميل | 3000 جرام |
| متطلبات الطاقة | 220 فولت / 4000 واط / 50/60 هرتز / 20 أمبير |
| أبعاد التعبئة (مم) | 12000 (طول) × 1100 (عرض) × 610 (ارتفاع) |
| الوزن الإجمالي | 110 كجم |



