

Application
La peseuse multi-têtes standard convient pour peser des aliments de loisirs tels que des bonbons, des graines, de la gelée, des aliments pour animaux de compagnie, des aliments gonflés, des pistaches, des arachides, des noix, des raisins secs, etc. bientôt.

Caractéristiques
1. Cellule de charge spéciale de haute précision et de haute qualité.
2. La fonction de récupération du programme peut réduire les échecs de fonctionnement et prend en charge l'étalonnage du poids multi-segments
3. Aucune fonction de pause automatique de produits ne peut améliorer la stabilité de pesage et précision
4. L'amplitude linéaire peut être ajustée indépendamment dans la course
5. De nombreuses langues disponibles pour les marchés mondiaux.
6. La capacité de 100 programmes peut répondre à diverses exigences de pesage et le menu d'aide convivial contribue à une utilisation facile
Caractère mécanique
La trémie 1.1.6L / 2.5L, adaptée à toutes sortes de matériaux standard courants, peut être largement utilisée
2.Le processus de fabrication des moules et les normes de conception uniformes contribuent à une meilleure interchangeabilité des pièces de rechange
3.La position moyenne épaissie en aluminium améliore la résistance de la machine, rendant le temps de stabilisation des trémies beaucoup plus court
4.Le type de pesage pour la détection de matériau est disponible, ce qui peut effectuer un contrôle précis du temps d'alimentation et de l'épaisseur du matériau et assurer la précision du pesage
5.Peut choisir une trémie brevetée sans ressort, rentable.
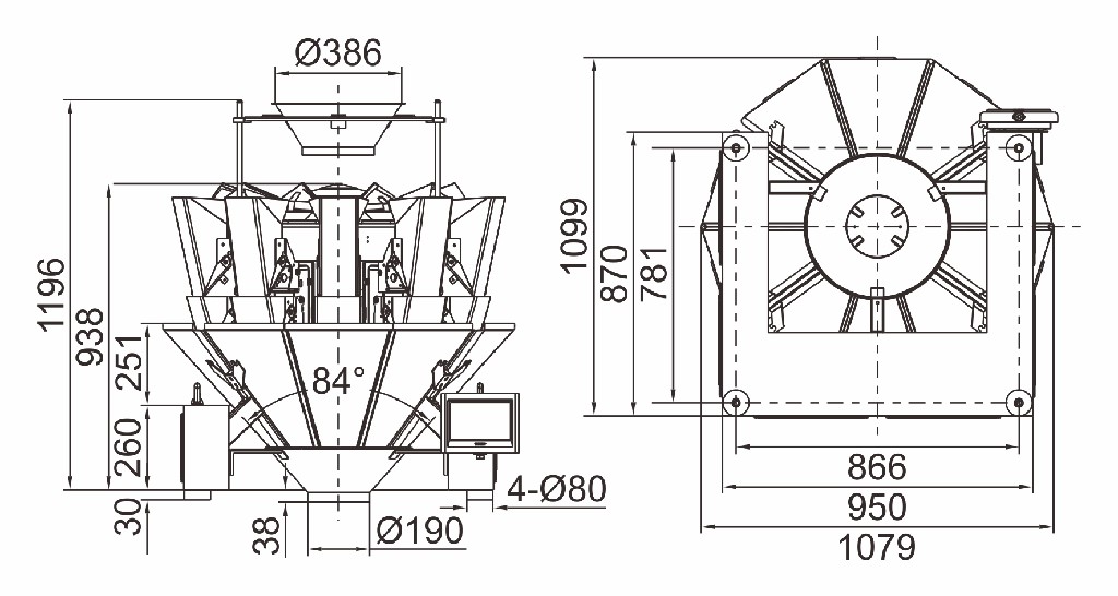
Spécifications techniques
| Modèle | JW-A10 | JW-A12 | JW-A14 | JW-AM10 | JW-AM14 | JW-A10 | JW-A14 |
| Identifier le code | A10-1-1 | A12-1-1 | A14-1-1 | AM10-1-1 | AM14-1-1 | A10-1-3 | A14-1-3 |
| Gamme de pesage | 10 à 1000g | 10 à 1 500 g | 10 à 1 500 g | 100 à 3000 g | 100 à 3000 g | 10 à 1000g | 10 à 1 500 g |
| Précision | X (0,5) | X (0,5) | X (0,5) | X (1) | X (1) | X (0,5) | X (0,5) |
| Vitesse maximale | 65P / M | 100P / M | 120P / M | 50P / M | 80P / M | 60P / M | 100P / M |
| Volume de la trémie | 1,6 / 2,5 L | 5 L | 1,6 L (sans ressort) | ||||
| Panneau de configuration | Écran tactile 7 '' | ||||||
| Options | Plaque à fossettes / trémie de synchronisation / imprimante / dispositif de rejet | ||||||
| Système de conduite | Moteur pas à pas | ||||||
| Puissance requise | 220V / 1000W / 50 / 60Hz / 10A | 220V / 1200W / 50 / 60Hz / 10A | 220V / 1500W / 50 / 60Hz / 10A | 220V / 1500W / 50 / 60HZ / 10A | 220V / 1500W / 50 / 60HZ / 12A | 220V / 1000W / 50 / 60Hz / 10A | 220V / 1500W / 50 / 60Hz / 12A |
| Dimension d'emballage (mm) | 1620 (L) x1100 (L) x1110 (H) | 1700 (L) x1100 (L) x1130 (H) | 1700 (L) x1100 (L) x1265 (H) | 1950 (L) X1280 (L) X1690 (H) | 2195 (L) X1380 (L) X1810 (H) | 1620 (L) x1100 (L) x1110 (H) | 1700 (L) x1100 (L) x1265 (H) |
| Poids brut | 380 kg | 430 kg | 490 kg | 600 kg | 750 kg | 380 kg | 490 kg |



