

La peseuse 4ème G trois couches 16 têtes convient au pesage de divers matériaux granulaires, floconneux, ronds et irréguliers, matériel, etc.

1. Cellule de charge spéciale de haute précision et de haute qualité.
2. La carte électrique du module et le mode stable d'échantillonnage multiple intelligent rendent le pesage plus précis.
3. Alarme de défaut intelligente, pratique pour la maintenance.
4. Fonction de décharge décalée à grande vitesse, empêchent efficacement les matériaux de blocage.
5. Nouvelle conception modulaire hautement intégrée, utilisant la technologie de bus CAN.
6. Le protocole de communication standard industriel Modbus réalise l'interface de peseuse associative et de machine d'emballage.
1. Le plateau vibrant principal peut être utilisé pour deux types de matériaux mixtes.
2. Avec le vibrateur principal indépendant, contrôlez respectivement l'épaisseur des différents matériaux.
3. Le nouveau seau de mémoire pour effectuer le stockage de matériel de pesage, augmenter la probabilité combinée et améliorer efficacement la précision.
4. Le soudage intégral du boîtier de la machine et du siège central améliore considérablement
la force de la machine rend le temps de stabilité de la trémie plus court.
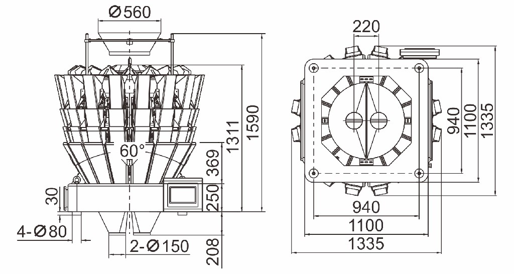
| Modèle | JW-A16 |
| Identifier le code | A16-4-2 |
| Gamme de pesage | 10 à 1000g |
| Précision | X (0,5) |
| Vitesse maximale | 120x2P / M |
| Volume de la trémie | 1,6 L |
| Panneau de configuration | Écran tactile de 10,1 po |
| Options | Plaque à fossettes / trémie de synchronisation / imprimante / dispositif de rejet |
| Système de conduite | Moteur pas à pas |
| Puissance requise | 220V / 2300W / 50 / 60Hz / 11A |
| Dimension d'emballage (mm) | 1860 (L) x 1200 (L) x 1540 (H) |
| Poids brut | 650 kg |



