

La peseuse multi-têtes standard convient pour peser des granulés de petit poids tels que des comprimés de médecine chinoise, du thé, des grains de café, des grains de chocolat, des raisins de Corinthe et d'autres collations, du matériel, des particules de plastique et d'autres matières particulaires, pesée quantitative.

1. Cellule de charge spéciale de haute précision et de haute qualité.
2. La fonction de récupération du programme peut réduire les échecs de fonctionnement et prendre en charge l'étalonnage du poids multi-segments.
3. L'amplitude linéaire peut être ajustée indépendamment.
4. De nombreuses langues disponibles pour les marchés mondiaux.
5. La capacité de 100 programmes peut répondre à diverses exigences de pesage et un menu d'aide convivial contribue à une utilisation facile.
1. Nouvelle conception de la machine - série, aspect élégant.
2. Conception mobile facile pour l'entonnoir d'alimentation et l'entonnoir de décharge, ce qui est plus pratique pour le nettoyer.
3. Divers accessoires facultatifs peuvent répondre à diverses exigences de pesage.
4. Le processus de fabrication des moules et les normes de conception uniformes contribuent à une meilleure interchangeabilité des pièces de rechange.
5. Option: corps de machine en acier doux peint.
| Nom | Peseuse associative standard en acier au carbone 1st G 10heads II Series | 1ère peseuse associative standard en acier au carbone série G 14 têtes II | 1ère peseuse associative standard série G 10heads II | 1ère peseuse associative standard série G 14heads II |
| Modèle | JW-A10 | JW-A14 | JW-A10 | JW-A14 |
| Identifier le code | A10-1-17T | A14-1-17T | A10-1-17 | A14-1-17 |
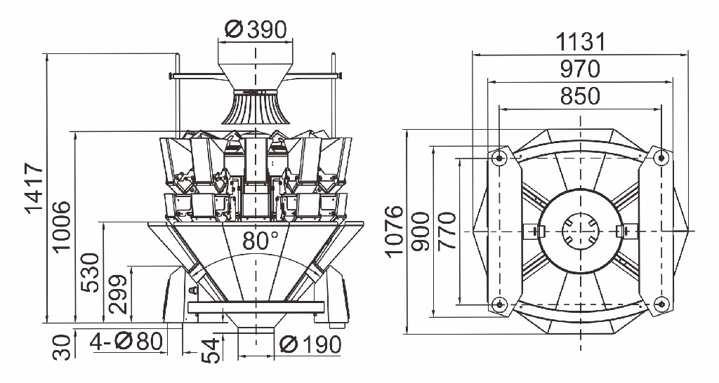
| Gamme de pesage | 10 à 1000g | 10 à 1 500 g | 10 à 1000g | 10 à 1 500 g |
| Précision | X (0,5) | X (0,5) | X (0,5) | X (0,5) |
| Vitesse maximale | 65P / M | 120P / M | 65P / M | 120P / M |
| Volume de la trémie | 1,6 / 2,5 L | |||
| Panneau de configuration | Écran tactile de 7 pouces | |||
| Options | Plaque à fossettes / trémie de synchronisation / imprimante / dispositif de rejet | |||
| Système de conduite | Moteur pas à pas | |||
| Puissance requise | 220V / 1000W / 50 / 60Hz / 8A | 220V / 1200W / 50 / 60Hz / 10A | 220V / 1000W / 50 / 60Hz / 8A | 220V / 1200W / 50 / 60Hz / 10A |
| Dimension d'emballage (mm) | 1770 (L) x1100 (L) x1190 (H) | 1770 (L) x1100 (L) x1190 (H) | 1770 (L) x1100 (L) x1190 (H) | 1770 (L) x1100 (L) x1190 (H) |
| Poids brut | 370 kg | 470 kg | 370 kg | 470 kg |



