

El manipulador paralelo es aplicable a alimentos, medicinas, especias, plásticos, artesanías, electrónica y diversos tipos de clasificación y transporte de materiales de otras industrias.

1. Se puede acoplar a una báscula de control frontal, un detector de metales, un detector de rayos X y otros equipos de aplicación de automatización de la línea de producción de envases, gran versatilidad, amplio rango de aplicación, alta precisión y gran estabilidad.
2. Puede realizar una capacidad de clasificación rápida y un sistema de aplicación visual opcional, lo que hace que el posicionamiento sea más preciso y más fácil de agarrar.
3. Interfaz hombre-máquina de pantalla táctil, depuración de formas de múltiples coordenadas, control de jog, configuración de parámetros, etc., modo de enseñanza de apoyo, movimiento lineal completo, arco y trayectoria espacial.
4. La enseñanza y la depuración con el dispositivo de enseñanza, la programación fácil de aprender, el rico conjunto de instrucciones, pueden cumplir con una amplia gama de requisitos de aplicación, los usuarios pueden realizar un desarrollo secundario.
5. Apoyar las citas de múltiples estaciones.
6. Función de protección de apagado automático de sobrecarga.
1. Base principal independiente con pulverización, apariencia simple y hermosa, fácil de instalar y mantener.
2. El brazo principal giratorio está hecho de fibra de carbono, que tiene una estructura más liviana y un rendimiento más estable.
3. Estructura de enlace de 4 ejes, que puede realizar que el material se agarre y gire en la dirección especificada.
4. Utilice un sistema de servocontrol para garantizar la precisión de la aplicación de trabajo.
5. Aplicaciones conjuntas visuales o telescópicas opcionales y de línea completa, soporte para aplicaciones personalizadas en la sección del transportador, configuración flexible.
6. Material opcional del marco exterior del cuerpo de acuerdo con el entorno de aplicación, el acero inoxidable / acero al carbono son opcionales.
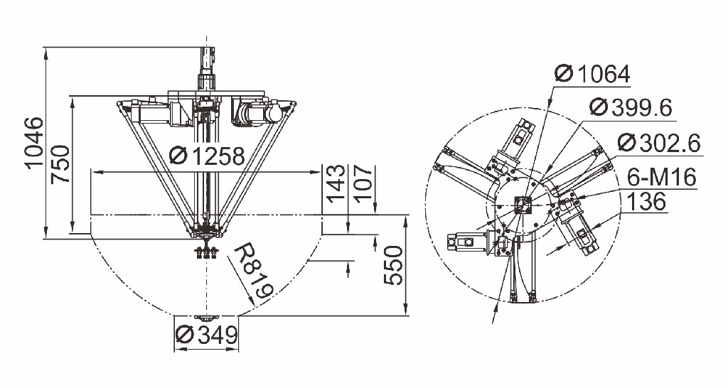
| Modelo | JW-D1100 |
| Código de identificación | D1100-1-1 |
| Tipo de estructura | DELTA (Cuatro ejes paralelos) |
| Precisión de repetición | ± 0,1 mm |
| Rango de trabajo | φ1100mm |
| Máxima velocidad | 150 P / M |
| carga maxima | 3000g |
| Requisitos de energía | 220V / 4000W / 50 / 60Hz / 20A |
| Dimensión de embalaje (mm) | 12000 (largo) x1100 (ancho) x610 (alto) |
| Peso bruto | 110 kg |



