
适合于中药饮片、茶叶、种子、味精、鸡精、咖啡豆、巧克力豆等小颗粒,小计量类高精度的定量称重。

1. 采用高精度分辨率的特制传感器。
2. 出厂参数设置恢复功能,支持多段重量标定。
3. 缺料时可自动暂停,使称量更加稳定。
4. 运行中各线振幅可独立调节,使加料更加均匀。
5. 多种语言可供选用,操作方便,适用于全球市场。
6. 存贮100套参数设置,实现多种物料需求,帮助菜单,方便学习使用。
1. 超小0.5L料斗,采用超低振动设计,运行更平稳,称重精度更高。
2. 称重式物料检测,准确控制加料时间,物料厚度,保证称重精度。
3. 特制V型线振盘,小重量称重设计,保证加料均匀及称重精度。
4. 整体式机箱和中座增强了机器的强度,使得料斗稳定时间更短。
5. 圆弧机箱大R的工艺处理,四边封口设计,整体牢固又美观。
6. 新型双平行线振机振动更小,侧驱式铝盒读数更准确,称重精度更高。
型号 | JW-A10 | JW-A14 |
识别代号 | AS10-1-1 | AS14-1-1 |
称重范围 | 2-200g | 2-200g |
称重精度范围 | X(0.5) | X(0.5) |
最大称重速度 | 60P/M | 120P/M |
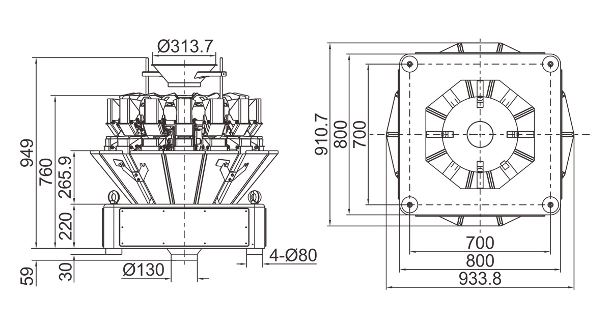
料斗容量 | 0.5L | |
操作界面 | 7寸触摸屏 | |
选购装置 | 花纹秤斗/集料斗/数据打印装置/超重选别装置 | |
驱动方式 | 步进电机 | |
电源要求 | 220V/900W/50/60Hz/8A | 220V/1100W/50/60Hz/10A |
包装尺寸(mm) | 1190(L)x970(W)x950(H) | 1190(L)x970(W)x950(H) |
包装重量 | 220kg | 240kg |



