一代Ⅱ加大型组合秤

一、适用范围:

适合中药饮片、茶叶、咖啡豆、巧克力豆、葡萄干等休闲食品、五金件、塑料胶粒等颗粒物料,以及大目标重量或大容量的定量称重。

a.jpg

二、功能特点: 

1. 采用高精度的特制传感器。

2. 出厂参数设置恢复功能,支持多段重量标定。

3. 运行中各线振幅可独立调节,使加料更加均匀。

4. 多种语言可供选用,操作方便,适用于全球市场。

5. 存贮100套参数设置,实现多种物料需求,帮助菜单,方便学习使用。

三、机械特性:

1. 新Ⅱ型机箱设计,美观大方。

2. 易拆式上下料盘设计,清洗更方便。

3. 可调整转速主振机增加了物料的通用性。

4. 加大振幅线振机增强了物料的流动性

5. 可选配件丰富,满足各种需求。                                                

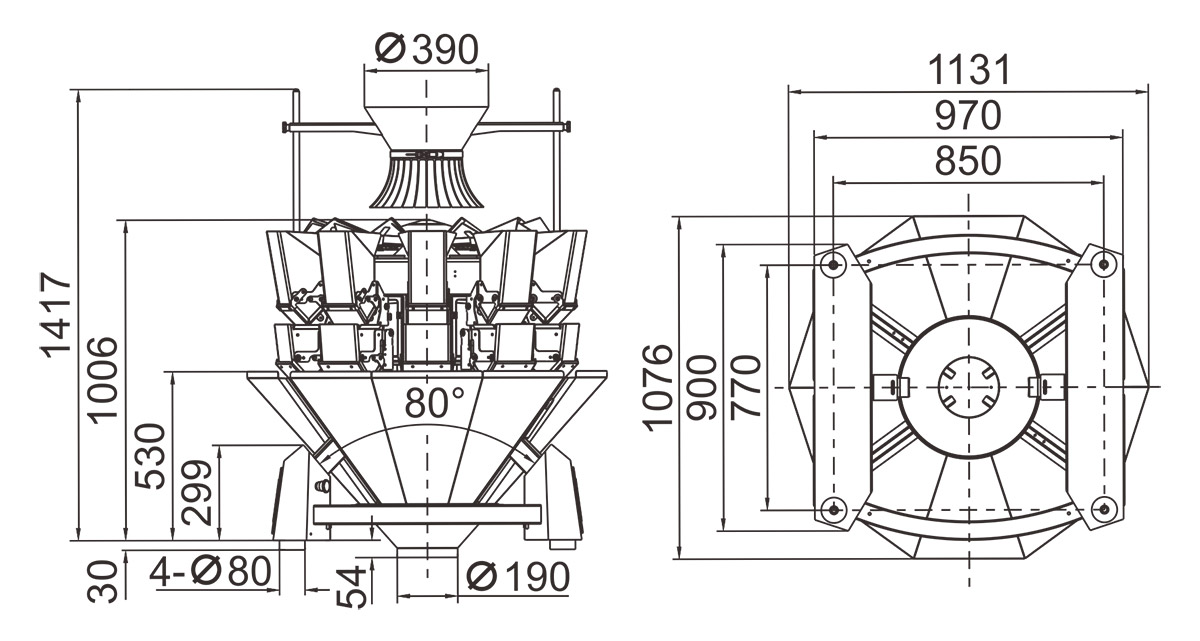
四、技术参数:

名称

一代10头Ⅱ加大型组合秤

一代14头Ⅱ加大型组合秤

型号

JW-AM10

JW-AM14

识别代号

AM10-1-17

AM14-1-17

称重范围

100-3000g

100-3000g

称重精度范围

X(1)

X(1)

最大称重速度

50P/M

80P/M

料斗容量

5L

操作界面

7寸触摸屏

选购装置

花纹秤斗/集料斗/数据打印装置/超重选别装置

驱动方式

步进电机

电源要求

220V/1500W/50/60Hz/10A

220V/1500W/50/60Hz/12A

包装尺寸(mm)

2270(L)x1480(W)x1500(H)

2200(L)x1500(W)x1500(H)

包装重量

640kg

805kg


五、产品细节