
适合各种微小颗粒,如大米、鸡精、味精、白糖等物料的定量称重。

1. 采用高精度的特制传感器。
2. 出厂参数设置恢复功能,支持多段重量标定。
3. 缺料时可自动暂停,使称量更加稳定。
4. 运行中各线振幅可独立调节,使加料更加均匀。
5. 多种语言可供选用,操作方便,适用于全球市场。
6. 存贮100套参数设置,实现多种物料需求,帮助菜单,方便学习使用。
1. 新增多角分料斗,有效将物料分配到各线振盘中。
2. 特制深U型振盘,避免物料往振盘两侧漏料。
3. 统一的设计标准,采用模具制作工艺,使各个零部件的互换性更强。
4. 铸铝加厚整体中座增强了机器的强度,称量的稳定时间更短。
5. 可选称重式物料检测,准确控制加料时间,物料厚度,保证称重精度。
型号 | JW-A10 | JW-A14 |
识别代号 | A10-1-4 | A14-1-4 |
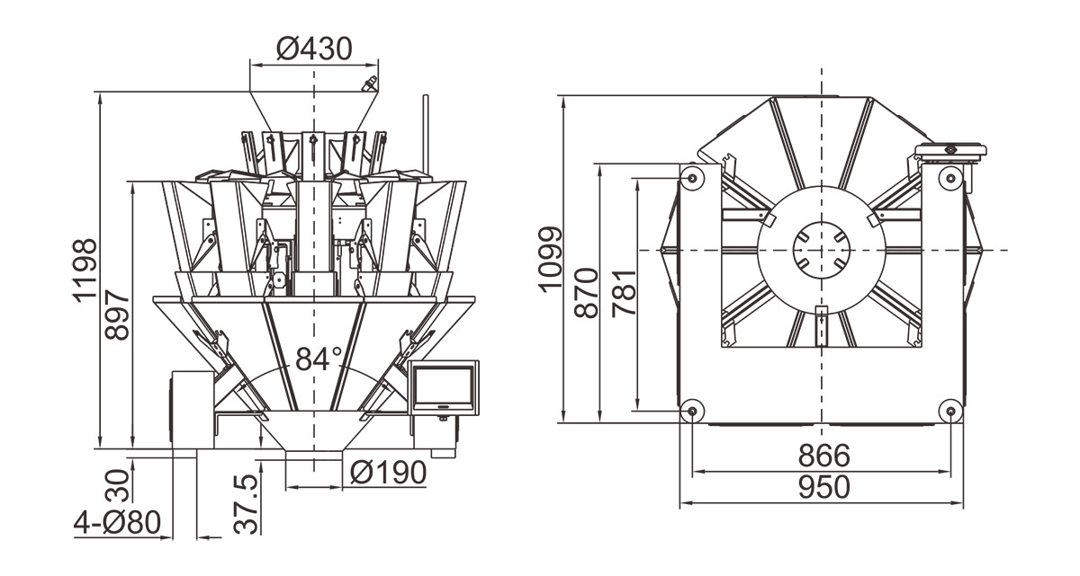
称重范围 | 20-1000g | 20-1500g |
称重精度范围 | X(0.5) | X(0.5) |
最大称重速度 | 65P/M | 120P/M |
料斗容量 | 1.6L/2.5L | |
操作界面 | 7''触摸屏 | |
选购装置 | 集料斗/数据打印装置/超重选别装置 | |
驱动方式 | 步进电机 | |
电源要求 | 220V/1000V/50/60Hz/10A | 220V/1500W/50/60Hz/12A |
包装尺寸(mm) | 1620(L)x1100(W)x1110(H) | 1700(L)x1100(W)x1265(H) |
包装重量 | 380kg | 490kg |



