
适用于粘性较大,含油量较多,物料静止在料斗后容易粘斗的物料,在60°夹角斜槽还会滑动的物料,如麻辣小鱼仔、酱板鸭等休闲类小食品。

1. 采用高精度的特制传感器。
2. 有出厂参数设置恢复功能。
3. 支持多段重量标定。
4. 缺料时可自动暂停,使称量更加稳定。
5. 多种语言可供选用,操作方便。
6. 存储100套参数设置,实现多种物料需求,帮助菜单,方便学习使用。
1. 增强型电磁感应式振机,加快了物料的流动性。
2. 下倾斜式专用线振盘,保证物料的流动顺畅。
3. 小角度斜槽有利于物料的下落、有效控制粘料现象。
4. 单开门专用料斗,防粘式设计结构,确保物料顺畅流动,防止粘斗,保证称重精度。
5. 可选称重式检测装置,准确控制加料时间及物料的厚度,保证称重精度。
型号 | JW-A10 | JW-A14 |
识别代号 | A10-16 | A14-16 |
称重范围 | 10~1000g | 10~1000g |
称重精度范围 | X(0.5) | X(0.5) |
最大称重速度 | 40P/M | 60P/M |
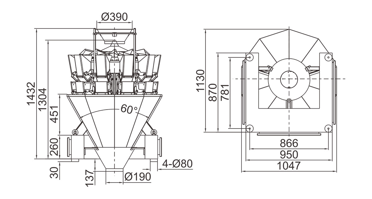
料斗容量 | 1.6L | |
操作界面 | 7寸触摸屏 | |
选购装置 | 花纹秤斗/集料斗/数据打印装置/超重选别装置 | |
驱动方式 | 步进电机 | |
电源要求 | 110/220V/1000W/50/60Hz/8A | 110/220V/1500W/50/60Hz/10A |
包装尺寸(mm) | 1620(L)x1100(W)x1420(H) | 1750(L)x1160(W)x1420(H) |
包装重量 | 380kg | 490kg |



