
适合于流动性较好的颗粒类物料。如茶叶、中草药、种子、豆类、咖啡豆、巧克力豆、果仁、味精、鸡精等小计量类的高速度定量称重。

1. 采用高精度的特制传感器。
2. 智能化的多次采样稳定模式,称量更精准。
3. 智能化的故障报警提示,维护更方便。
4. 高速异步放料功能,有效防止物料阻塞。
5. 全新高集成模块化设计,采用了CAN总线技术。
6. Modbus工业标准通信协议,实现组合秤和包装机界面合二为一。
1. 双层下料斜槽结合双高速集料斗交替下料,有效突破了斜槽的加料时间的瓶颈。
2. 大圆弧角口字型机箱,整体结构更加协调美观。
3. 稳定式的铝壳结构使得料斗运行更稳定,读数更精准。
4. 整体式机箱和中座增强了机器的强度,使得料斗的稳定时间更短。
5. 统一的设计标准,采用模具制作工艺,使各个零部件的互换性更强。
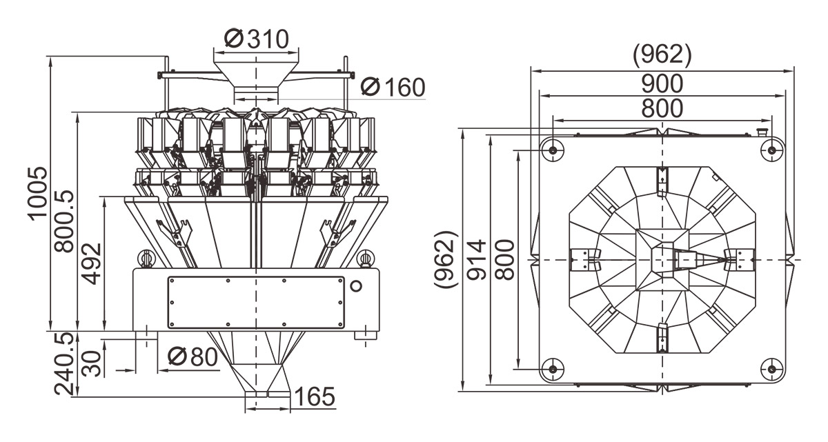
型号 | JW-A16 |
识别代号 | A16-2-7 |
称重范围 | 2-200g |
称重精度范围 | x(0.5) |
最大称重速度 | 180P/M |
料斗容量 | 0.5L |
操作界面 | 10.1寸触摸屏 |
选购装置 | 花纹秤斗/集料斗/数据打印装置/超重选别装置 |
驱动方式 | 步进电机 |
电源要求 | 220V/1500W/50/60Hz/10A |
包装尺寸(mm) | 1250(L)x1070(W)x960(H) |
包装重量 | 300kg |



